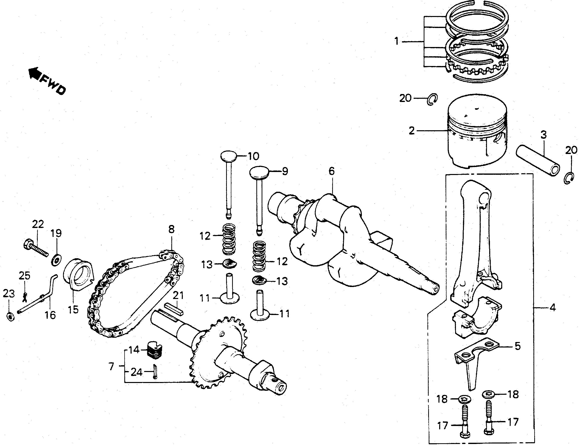
Ref No
Part Number
Description
Serial Range
Qty
Price
Ref No 1
Part Number 13010-894-003
Description RING SET, PISTON (STD) (TEIKOKU)
Serial Range 1000001 - 9999999
Qty
Price $42.92
Add To Cart
Ref No 1
Part Number 13010-YA0-004
Description RING SET, PISTON (STD) (NIPPON)
Serial Range 1000001 - 9999999
Qty
Price $42.92
Add To Cart
Ref No 1
Part Number 13011-894-003
Description RING SET, PISTON (0.25) (TEIKOKU)
Serial Range 1000001 - 9999999
Qty
Price $36.54
Add To Cart
Ref No 1
Part Number 13011-894-004
Description RING SET, PISTON (0.25) (NIPPON)
Serial Range 1000001 - 9999999
Ref No 1
Part Number 13011-YA0-004
Description RING SET, PISTON (0.25) (NIPPON)
Serial Range 1000001 - 9999999
Qty
Price $36.54
Add To Cart
Ref No 1
Part Number 13012-YA0-004
Description RING SET, PISTON (0.50) (NIPPON)
Serial Range 1000001 - 9999999
Qty
Price $45.40
Add To Cart
Ref No 1
Part Number 13013-894-003
Description RING SET, PISTON (0.75) (TEIKOKU)
Serial Range 1000001 - 9999999
Qty
Price $47.46
Add To Cart
Ref No 1
Part Number 13013-YA0-004
Description RING SET, PISTON (0.75) (NIPPON)
Serial Range 1000001 - 9999999
Qty
Price $47.46
Add To Cart
Ref No 2
Part Number 13101-883-003
Description PISTON (STD)
Serial Range 1000001 - 9999999
Qty
Price $80.52
Add To Cart
Ref No 2
Part Number 13102-883-003
Description PISTON (0.25)
Serial Range 1000001 - 9999999
Ref No 2
Part Number 13103-883-003
Description PISTON (0.50)
Serial Range 1000001 - 9999999
Ref No 2
Part Number 13104-883-003
Description PISTON (0.75)
Serial Range 1000001 - 9999999
Qty
Price $54.16
Add To Cart
Ref No 3
Part Number 13111-883-000
Description PIN, PISTON
Serial Range 1000001 - 9999999
Qty
Price $11.08
Add To Cart
Ref No 4
Part Number 13200-883-040
Description ROD ASSY., CONNECTING
Serial Range 1000001 - 9999999
Qty
Price $94.50
Add To Cart
Ref No 4
Part Number 13200-883-345
Description ROD ASSY., CONNECTING (UNDER SIZE)
Serial Range 1000001 - 9999999
Ref No 5
Part Number 13281-883-030
Description DIPPER, CONNECTING ROD
Serial Range 1000001 - 9999999
Qty
Price $11.40
Add To Cart
Ref No 6
Part Number 13311-883-610
Description CRANKSHAFT (NOT AVAILABLE)
Serial Range 1000001 - 9999999
Ref No 7
Part Number 14110-883-612
Description CAMSHAFT ASSY.
Serial Range 1000001 - 9999999
Ref No 8
Part Number 14411-ZE1-611
Description CHAIN, P.T.O. DRIVE (DID317FM2-34LE)
Serial Range 1000001 - 9999999
Qty
Price $36.34
Add To Cart
Ref No 9
Part Number 14711-883-000
Description VALVE, IN.
Serial Range 1000001 - 9999999
Qty
Price $33.42
Add To Cart
Ref No 10
Part Number 14721-883-000
Description VALVE, EX.
Serial Range 1000001 - 9999999
Qty
Price $36.54
Add To Cart
Ref No 11
Part Number 14736-883-010
Description LIFTER, VALVE (39.6MM)
Serial Range 1000001 - 9999999
Qty
Price $19.18
Add To Cart
Ref No 11
Part Number 14746-883-010
Description LIFTER, VALVE (39.9MM)
Serial Range 1000001 - 9999999
Qty
Price $19.18
Add To Cart
Ref No 12
Part Number 14751-883-000
Description SPRING, VALVE
Serial Range 1000001 - 9999999
Qty
Price $5.88
Add To Cart
Ref No 13
Part Number 14771-883-305
Description RETAINER, VALVE SPRING
Serial Range 1000001 - 9999999
Qty
Price $13.44
Add To Cart
Ref No 14
Part Number 16511-883-300
Description WEIGHT, GOVERNOR
Serial Range 1000001 - 9999999
Qty
Price $2.30
Add To Cart
Ref No 15
Part Number 16531-883-010
Description SLIDER, GOVERNOR
Serial Range 1000001 - 9999999
Ref No 16
Part Number 16541-883-000
Description SHAFT, GOVERNOR ARM
Serial Range 1000001 - 9999999
Ref No 17
Part Number 90001-883-020
Description BOLT, CONNECTING ROD (7MM)
Serial Range 1000001 - 9999999
Qty
Price $4.14
Add To Cart
Ref No 18
Part Number 90432-889-003
Description WASHER, LOCK (7MM)
Serial Range 1000001 - 9999999
Qty
Price $1.66
Add To Cart
Ref No 19
Part Number 90473-842-000
Description WASHER (8MM)
Serial Range 1000001 - 9999999
Qty
Price $1.88
Add To Cart
Ref No 20
Part Number 90551-883-000
Description CLIP, PISTON PIN (15MM)
Serial Range 1000001 - 9999999
Ref No 20
Part Number 94601-15000
Description CLIP, PISTON PIN (15MM)
Serial Range 1000001 - 9999999
Qty
Price $1.24
Add To Cart
Ref No 21
Part Number 90746-835-000
Description KEY (5X5X33)
Serial Range 1000001 - 9999999
Qty
Price $9.02
Add To Cart
Ref No 22
Part Number 92101-08025-0A
Description BOLT, HEX. (8X25)
Serial Range 1000001 - 9999999
Qty
Price $2.12
Add To Cart
Ref No 23
Part Number 94101-05000
Description WASHER, PLAIN (5MM)
Serial Range 1000001 - 9999999
Qty
Price $1.20
Add To Cart
Ref No 24
Part Number 94201-30250
Description PIN, SPLIT (3.0X25)
Serial Range 1000001 - 9999999
Qty
Price $1.26
Add To Cart
Ref No 24
Part Number 94201-30450
Description PIN, SPLIT (3.0X45)
Serial Range 1000001 - 9999999
Qty
Price $1.26
Add To Cart
Ref No 25
Part Number 94251-08000
Description PIN, LOCK (8MM)
Serial Range 1000001 - 9999999
Qty
Price $1.50
Add To Cart